ZPQ-02氣動閥門定位器

產品名稱:ZPQ-02氣動閥門定位器
所屬分類: 閥門定位器
概要: ZPQ-02氣動閥門定位器是氣動調節閥(薄膜式或活塞式)配套使用的產品。它接受調節儀表給出的氣信號,輸出氣壓信號控制調節閥的行程。定位器能改善氣動調節閥的工作特性,克服閥
產品簡介
?ZPQ-02氣動閥門定位器是氣動調節閥(薄膜式或活塞式)配套使用的產品。它接受調節儀表給出的氣信號,輸出氣壓信號控制調節閥的行程。定位器能改善氣動調節閥的工作特性,克服閥桿摩擦力和由于被調介質壓力變化引起的閥芯不平衡力,從而使閥門位置跟調節儀表的控制信號按比例變化,實現正確定位。此外,閥門定位器還具有下列用途:
1.提高氣動調節閥動作速度。
2.可改變氣動調節閥作用方式。
3.能實現分程操作。
4.可操作各種彈簧壓力范圍的氣動調節閥。
5.可配各種角行程調節閥。
?
一、主要技術參數和性能
1.產品企業標準代號:Q/YXBM633
2技術參數
|
型號 |
ZPQ-01 |
ZPQ-02 |
|
輸入信號(KPa) |
標準信號:20~100 |
|
|
分段信號:20~60、60~100 |
? | |
|
氣源壓力MPa |
0.14,0.26 |
0.35,0.55 |
|
所配執行機構 |
氣動薄膜式 |
氣動活塞式 |
|
行程范圍 |
直行程:10~60mm,(100mm作特殊訂貨) |
|
|
角行程:50°,70°,75°,90° |
||
|
輸出作用方式 |
單作用 |
雙作用 |
|
輸出特性 |
直線 |
|
|
重量 |
2.6kg |
|
|
環境溫度 |
-25~55℃ |
|
|
相對濕度 |
5%~100% |
|
|
氣管接口 |
M10×1 |
|
|
電纜接頭 |
F6×1 |
|
|
基本誤差% |
±1 |
±1.5 |
|
回差% |
1 |
1.5 |
|
死區% |
0.4 |
0.6 |
|
耗氣量L/h |
<1500(氣源壓力140kpa) |
<3600(氣源壓力500kpa) |
?
二、產品型號編制說明

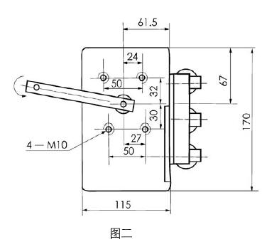
三、外形尺寸、安裝方式
1.外形尺寸(見圖一、單位mm)

2.安裝方式
與ZMA/B-2~ZMA/B一6氣動薄膜執行機構配用時,利用連接板上水平方向的二個F11的孔(見圖一)。用二只M10 x 20螺釘擰入執行機構正面的專用螺孔,固定定位器。如與其他執行嘰構相配,則使用安裝螺孔4-M10(見圖二)。圖示尺寸單位為mm。

