QZD-1100電-氣轉換器

產品名稱:QZD-1100電-氣轉換器
所屬分類: 閥門定位器
產品簡介
?QZD-1100電-氣轉換器是電動單元組合儀表轉換單元中一個品種,接受的電動調節儀表給出的直流信號,按比例地轉換輸出20~100kPa氣動信號,作為氣動薄膜調節閥、氣動閥門定位器的氣動控制信號,也可作為氣動儀表的氣源,實質上它起到電動儀表與氣動儀表之間的信號轉換作用。
一、主要技術參數和性能
1.產品企業標準代號:Q/YXBM321
2.主要技術參數
|
輸入信號(mA DC) |
4~20 |
|
氣源壓力(MPa) |
0.14 |
|
輸出壓力(KPa) |
20~100 |
|
輸入阻抗(Ω) |
300±10Ω(普通型、隔爆復合型) 450±10Ω(本質安全型) |
|
絕緣電阻(MΩ) |
≥20 |
|
輸出特性 |
直線 |
|
重量(㎏) |
5 |
注:輸入信號0一10 mA.DC可作特殊訂貨
3.主要性能指標
基本誤差:±1%
回差:1%
死區:0.4%
耗氣量:≤1000L/h(氣源0.14MPa在平衡時)
傳送時間:≤4秒(管道內徑為φ4mm長度為60m)
4.接口、環境要求
氣管接口:M10×1
電纜接頭:M20×1.5
環境溫度:-25~55℃
相對濕度:5%~100%
?
二、防爆型式、適用范圍
|
結構型式 |
型號 |
防爆標志 |
適用范圍 |
|
普通型 |
QZD一1100 |
無 |
沒有防爆要求的場所 |
|
隔爆增安復合型 |
QZD一1100B一B |
de II BT4 |
危險區域1區及1區以下的場所 |
|
本質安全型 |
QZD一1100A一B |
ia II CT5 |
危險區域0區及0區以外的場所 |
?
三、產品型號編制說明
?
四、外形尺寸、安裝方式
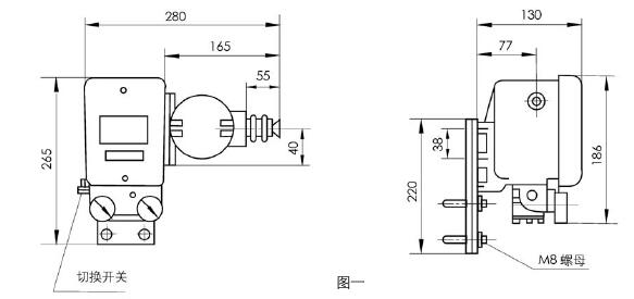
1. 外形尺寸(見圖一,單位:mm)

2.安裝方式
??? 電—氣轉換器不直接安裝在調節閥上,而安裝在閥附近安裝架的中50管子上(見圖二)。
圖示尺寸單位為mm。
?

