浮球液位開關

產品名稱:浮球液位開關
所屬分類: 浮球液位開關
概要:浮球液位開關產品簡述UQK系列浮球液位控制器適用于對各種容器內液體的液位控制,當液位到達上、下切換值時,控制器觸點發出通斷開關式信號。產品系列分防爆和非防爆兩大類,防爆
產品簡介
浮球液位開關產品簡述
UQK系列浮球液位控制器適用于對各種容器內液體的液位控制,當液位到達上、下切換值時,控制器觸點發出通斷開關式信號。
產品系列分防爆和非防爆兩大類,防爆型能用于易燃和易爆介質為1.2級及?A, ?B, C 組成壓容器的液位控制器。防爆等級DIICT4-T6.控制器不適用于對黃銅、不銹鋼,鋁等材料有較強腐蝕作用以及含有導磁雜質的介質。UQK觸點應經中間繼電器處理后再區驅逐泵閥之類大功率設備。一般一臺UQK的輸出信號用于泵或閥的控制就可以實現將容器內的液位控制在儀表的切換差范圍內的目的。
浮球液位開關主要技術指標
|
外形
|
型號名稱
|
防爆等級
|
介質壓力MPa
|
介質溫度℃
|
切換差(mm)
|
整定方式
|
安裝形式
|
電源及觸點容量
|
|
UQK- 01型浮球液位控制器
|
?
|
1
|
150
|
£14
|
不可調
|
水平
|
?
?
?
?
?
?
?
?
?
?
AC220V
1A
DC100V
1.5A
|
|
|
?
|
UQK-01-B型
防爆浮球液位控制器
|
dIICT4-T6
|
4
|
|||||
|
UQK-02型浮球液位控制器
|
?
|
1
|
150
|
25-550
|
?
無級調整
|
水平
|
||
|
?
|
UQK-02-B型
防爆浮球液位控制器
|
dIICT4-T6
|
4
|
|||||
|
UQK-03浮球液位控制器
|
?
|
1
|
150
|
14-1000
|
?
無級調整
|
?
垂直
|
||
|
?
|
UQK-03-B型
防爆浮球液位控制器
|
dIICT4-T6
|
2.5
|
?
浮球液位開關結構原理
UQK系列浮球液位控制器由互為隔離的浮球組和觸頭組二大部分組成.
當被測液位升高至上切換點時,浮球1隨之上升,使其端部的磁鋼2向下擺動,通過磁力作用,推斥安裝在外殼3內相同磁極4上、下擺動,其另一端的動觸點5便在靜觸頭2-2間連通。當液位下降至切點時,情況正好相反,靜觸點1-1被接通。上切點至下切點之間的區域稱為換差區域。
?

浮球液位開關安裝示意圖
UQK-01.02安裝法蘭通徑不得小于?80,以免浮球進不了容器造成無法安裝的效果。???? 單位mm
UQK系列水平安裝
?

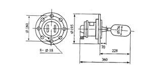
浮球液位開關外形及安裝尺寸????????????? 單位:mm
●UQK-01

●UQK-02

●UQK-01-B
?●UQK-02-B
?●UQK系列垂直安裝示意圖
?
?
?●?? UQK-03??? ??????????
?
?
??●?? UQK-03-B
?
?
?注:( ) 內尺寸分別為UQK-01,02型尺寸
???????????? 01
????? UQK – 02 – Diidt4-T6采用標注法蘭安裝
???????????? 03
標準:HG5016-1958?? pg40, Dg80(相當于
????? GB2555-1981?? pg40, Dg80)
凹凸面法蘭(用戶自配凹凸面法蘭)
