浮球液位計

產品名稱:浮球液位計
所屬分類: 浮球液位計
概要:浮球液位計概述UQZ系列浮球液位計是用于直接指示各種敞開或承壓容器內液位高度的指針式儀表。該儀表與工業設備上常用的玻璃液位計相比較,它不怕破裂,示值更為清晰,尤其適用于
產品簡介
浮球液位計概述
UQZ系列浮球液位計是用于直接指示各種敞開或承壓容器內液位高度的指針式儀表。該儀表與工業設備上常用的玻璃液位計相比較,它不怕破裂,示值更為清晰,尤其適用于對玻璃管壁有粘滯作用的油污類液體介質或者有毒有害的介質的直接指示。
儀表屬純機械結構,故在易燃易爆場所工作時,具有本質安全性。
UQZ?1系列浮球液位計為頂裝式儀表,可用于地下水池或油庫等容器的液位指示。
UQZ?2系列浮球液位計具有較強的抗震能力,可以用于移動的裝置,如槽車等安裝使用。該儀表的各項指標均符合一九八一年二月原國家勞動總局頒發的(液化石油氣槽車安全管理規定)中液位計的要求。
UQZ系列型儀表不適用于對黃銅、鋁、不銹鋼等材質有較強腐蝕作用的介質。
?
浮球液位計主要技術指標
精確度:UQZ-1型:2.5%
UQZ-2型:2.5級
環境溫度:1型 -25~+55℃ 1型,2型 -40~+55℃
介質溫度:≤120℃
安裝形式:UQZ-1型:頂裝式,法蘭連接(法蘭由用戶自制。本廠提供安裝接頭)。
UQZ-2型:側裝式,法蘭連接。
?
UQZ—□—□—□—□
|
□ 安裝型式
|
1,頂裝式
|
|
2,側裝式
|
|
|
□ 測量方式
|
00,測量方式滿意
|
|
01.測量方式空度
|
|
|
□ 介質密度
|
0,介質密度3700kg/cm3
|
|
1介質密度3400kg/cm3
|
|
|
2,液氨方式空度
|
|
|
□ 測量范圍
|
?
|
?
浮球液位計型號表示
|
型號
|
介質密度g/cm3
|
量程m
|
測量方式
|
介質壓力Mpa
|
浮球直徑(mm)
|
安裝法蘭
|
適用范圍
|
|
UQZ-1-000
|
≥0.7
|
1,1.5,2,2.5
|
滿度
|
≤1.6
|
?126
|
1· 當儀表用于非承壓容器時,用戶利用制造廠提供的安裝接頭自制非標注法蘭
2· 儀表用于承壓容器時,用戶按圖紙自制法蘭
3· 法蘭單考標準GB9119-2000PN1-6DN125
|
?
|
|
UQZ-1-001
|
≥0.4
|
1,1.5,2,2.5
|
?200
|
||||
|
UQZ-1-010
|
≥0.7
|
1,1.5,2,2.5
|
空度
|
?126
|
|||
|
UQZ-1-011
|
≥0.4
|
1,1.5,2,2.5
|
?200
|
||||
|
UQZ-1-000
|
≥0.45
|
1,1.5,2,0.5,2.5
|
滿度
|
≤1.8
|
?90
|
PN2-5DN100
JB 83-1994
|
液化石油氣等輕介質
|
|
UQZ-1-001
UQZ-1-002
|
≥0.7
|
1,1.5,2,0.5,2.5
|
≤1.8
|
?90
|
一般液體介質
|
||
|
1,1.5,2,0.5,2.5
|
液氨等腐蝕性介質
|
?
浮球液位計安裝示意圖

浮球液位計UQZ-1安裝示意圖?

浮球液位計UQZ-2安裝示意圖
?
浮球液位計外形尺寸
● UQZ-1??????
?????????????????????????????????????? ● UQZ-2
?

浮球液位計?? 安裝
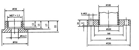
??????????????????????????????????????????????????????????浮球液位計UQZ-1安裝接頭??
??
???????????????????????????????
??????????????????????????????? ?000??? 010 ????????????????????????????????????????????
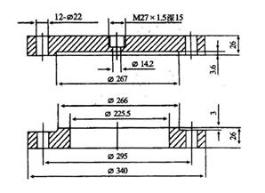
UQZ-1- 型安裝法蘭(上,下)??????????????????
??????? ??????????????????????????????????????????????
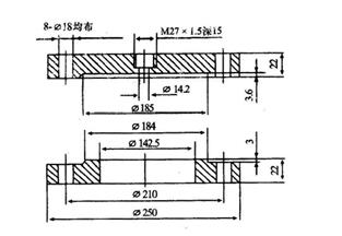
UQZ-2安裝法蘭B制造尺寸

001 ????011
UQZ-1-??? 型安裝法蘭(上,下)
?
浮球液位計安裝使用注意事項
UQZ-1、UQZ-2、系列浮球液位計應安裝在其浮球上下運支時不受妨礙的位置上。
被測介質不應含有鐵磁性雜質。???為了防止運輸時UQZ-1、UQZ-3型儀表的浮球的密封管上高速滑落或撞擊,引起測量帶脫出,故儀表在出廠前,用卡箍將浮球固定在密封管底部,磁鋼在密封管頂部。用戶在安裝使用前應先拆去卡箍,將浮球上升至密封管頂部。然后輕緩地將浮球下移,指針作相應的轉動。?(千萬不要動作過快,而造成表內磁鋼脫離引帶,儀表損壞,浮球有方向性,不要顛倒安裝。)?
UQZ-1型儀表的面板指示形式類似手表指示形式。長指針刻度為厘米,指針與刻度均為黑色,短指針刻度為米,指針與刻度均為紅色。滿度測量時指示數字為順時針方向排列,空度測量時指針數字為逆向時針方向排列。
UQZ-2型儀表出廠時附有安裝法蘭A,用戶應配管道法蘭B,用戶亦可直接用具有相應密封面的凸緣代替圖面中接管式連接。
UQZ-2型儀表的安裝僧一般選擇在量程之半。如圖所示
?
浮球液位計 訂貨參數表
|
UQZ-
|
?
|
|||||
|
?
|
1
|
頂裝
|
||||
|
2
|
測裝
|
|||||
|
OIL
|
頂裝液化石油氣
|
|||||
|
?
|
00
|
滿度(只是液位高度)
|
||||
|
01
|
空度指示液位上方空間距離
|
|||||
|
?
|
0
|
液體密度30.7(g/cm3)
|
||||
|
1
|
液體密度30.45(g/cm3)
|
|||||
|
2
|
液氨等腐蝕介質用
|
|||||
|
?
|
L eee
|
測量范圍(mm)
|
安裝高度(mm)
|
|||
|
?
|
?
|
H eee
|
||||
?
浮球液位計安裝使用主要事項
儀表成套性:
UQZ-1浮球液位計:
UQZ-1儀表1只???
安裝接頭1只??
UQZ-2浮球液位計:
UQZ-2儀表1只???
法蘭密封圈1只??安裝法蘭1只
?
浮球液位計 訂貨須知
產品型號,名稱
被測介質密度(g/cm3)
測量方式
工作壓力
安裝形式
?
?
?
